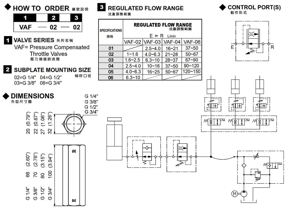
Flow Control Valves VAF-02, VAF-03, VAF-04, VAF-06
- Home
- Products
- Cartridge Valves
- Flow Control
- Flow Control Valves
- Specifications
- How to Order
| Model Number | Maximum Pressure (bar) | Maximum Flow (lpm) | Weight (kg) |
|---|---|---|---|
| VAF-02 | 315 (4569 psi) | 10 (2.64 gpm) | 0.2 (0.44 lbs) |
| VAF-03 | 25 (6.60 gpm) | 0.25 (0.55 lbs) | |
| VAF-04 | 67 (17.70 gpm) | 0.3 (0.66 lbs) | |
| VAF-06 | 150 (39.63 gpm) | 0.4 (0.88 lbs) | |
| Fluid Type | ISO VG 32, 46, 68 | ||
| Viscosity (cSt) | 10~400 (59~1854 SSU) | ||
| Operating Temperature (°C) | -30~100 (-22~212°F) | ||
| Contamination Level | ISO4406. 20/18/15 NAS1638. 9 | ||


